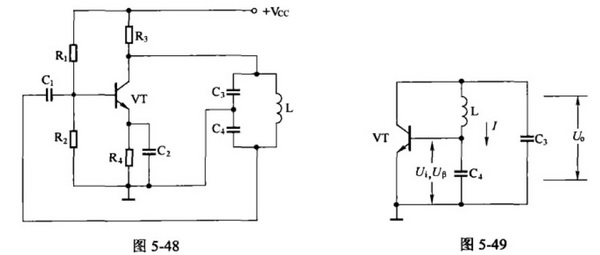
1.電容三點式振蕩器電路如圖5-48所示。L、C3、C4為構成振蕩回路的3個電抗元件。R1、R2為晶體管VT的基極偏置電阻,R3為集電極電阻,R4為發射極電阻。C1為基極耦合電容,C2為旁路電容。由于震蕩回路的3個電抗中有2個是電容,所以叫做電容三點式
振蕩器。

2.電容三點式振蕩器的交流等效電路如圖5-49所示。C3上輸出的電壓Uo同時加在L、C4支路上,由于電感上電流滯后電壓90度,所以支路電流I比Uo滯后90度。而I流過電容C4所產生的反饋電壓Ua又比I滯后90度,即與輸出電壓Uo相反(相差180度)而與輸入電壓U1相同,實現了反饋。
3.電容三點式振蕩器的優點是振蕩輸出電壓波形好,振蕩頻率較穩定;缺點是不易起振,波段頻率范圍較窄。
信息來自:
泰藝晶振 鉭電容